Выключатель-разъединитель ВР32-31-В-31250-32 УХЛ3 лев.
                            
                            
                                
                                
                                
                                Описание товара
Аппараты серии ВР32 – одни из самых широко применяемых в сетях низкого напряжения. Включают различные типоисполнения по токам, видам привода и категориям применения.
Предназначен для включения, пропускания и отключения переменного тока номинальным напряжением до 660 В номинальной частотой 50 и 60 Гц и постоянного тока напряжением до 440В в устройствах распределения электрической энергии.
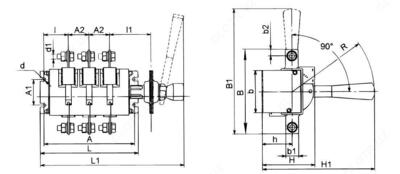
Основными узлами аппарата являются подвижные и неподвижные контакты.
Набор подвижных и неподвижных контактов с корпусом представляет собой пакет. Пакеты стянуты шпильками.
Число пакетов соответствует числу полюсов плюс один корпус, в котором размещен механизм фиксации. служащий для фиксации рукоятки привода в положении «включено» и «отключено».
Подвижные контакты установлены в пластмассовый вал, при повороте которого рукояткой привода в коммутационное положение осуществляется замыкание и размыкание контактов.
С помощью рукоятки, кроме вида привода «без рукоятки», производятся операции «включение-отключение» для аппаратов на одно направление поворотом на угол 90 и «включение–отключение-включение» для аппаратов на два направления поворотом на угол 45° в каждое положение. Все положения имеют фиксацию.
Внимание: характеристики товара, комплект поставки и внешний вид могут быть изменены производителем без предварительного уведомления. Указанная информация не является публичной офертой.
Показать все
Скрыть
Документы
Гарантия
Гарантийный срок эксплуатации прибора составляет 24 месяца с момента его ввода в эксплуатацию, при условии соблюдения потребителем правил эксплуатации, транспортировки, хранения и монтажа, установленных в руководстве по эксплуатации и в соответствии с требованиями ГОСТ 2405–88.
Срок хранения прибора с сохранением гарантийных обязательств — 12 месяцев с даты изготовления.
Отзывы
У данного товара пока нет отзывов. Станьте первым, кто поделится своим мнением и поможет другим сделать выбор.
20 отзывов
Артикул
Бренд
UzkipВ наличии
ГОСТ
2405-88ТУ
4212-114-64115539-2014Срок доставки
2-3 дняПериодичность поверки
2 годаС этим товаром смотрят
                    Выключатель-разъединитель ВНК-39-71130-32 УХЛ3
10 сум
                    Диэлектрический коврик 700х700
125 000 сум
                    Комплектующие к ВР32 Рукоятка к ВР 32-39 71250
10 сум
                    Дополнительное оборудование к ВР32 Дугогасительные камеры для ВР32-35в
10 сум
                    Syscompact 2000/32 — компактная мобильная система для отыскания мест повреждений кабельных линий (32 кВ)
10 сум
                    Выключатель-разъединитель ВР32И-37В71250 400А IEK
10 сум
                    Выключатель-разъединитель ВР32И-35В71250 250А IEK
10 сум
                    Выключатель-разъединитель ВНК-37-31130-32УХЛ3 лев.
10 сум
                    УППЭС 6-10 — устройство поиска повреждений электрических сетей
10 сум
                    Выключатель-разъединитель ВНК-42-21130-32УХЛ3
10 сум
                    Выключатель-разъединитель ВНК-41-31130-54УХЛ3 лев.
10 сум
                    УПП-10 — устройство для поиска повреждений (с курсовым фонарем VONATEX)
10 сум
Ранее вы смотрели
                ДАТЧИКИ ОТНОСИТЕЛЬНОГО ДАВЛЕНИЯ QBE2X02-P ДЛЯ ЖИДКОСТЕЙ И ГАЗОВ
                Амперметр Э47 2000/5А кл. точн. 1,5 96х96мм
                Выключатель-разъединитель ВР32-31-В-31250-32 УХЛ3 лев.
                Рубильник реверсивный OT25F3C 25А 3п реверс. (на DIN-рейку)
                БСПИ-3Л-МР — блок передачи информации
                DLRO10HDX — цифровой микроомметр (с подключенными двойными измерительными щупами)
Похожие категории