Выключатель-разъединитель ВР32-31-В-71250-32 УХЛ3 лев.
                            
                            
                                
                                
                                
                                Описание товара
Аппараты серии ВР32 – одни из самых широко применяемых в сетях низкого напряжения. Включают различные типоисполнения по токам, видам привода и категориям применения.
Предназначен для включения, пропускания и отключения переменного тока номинальным напряжением до 660 В номинальной частотой 50 и 60 Гц и постоянного тока напряжением до 440В в устройствах распределения электрической энергии.
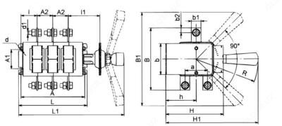
Основными узлами аппарата являются подвижные и неподвижные контакты.
Набор подвижных и неподвижных контактов с корпусом представляет собой пакет. Пакеты стянуты шпильками.
Число пакетов соответствует числу полюсов плюс один корпус, в котором размещен механизм фиксации. служащий для фиксации рукоятки привода в положении «включено» и «отключено».
Подвижные контакты установлены в пластмассовый вал, при повороте которого рукояткой привода в коммутационное положение осуществляется замыкание и размыкание контактов.
С помощью рукоятки, кроме вида привода «без рукоятки», производятся операции «включение-отключение» для аппаратов на одно направление поворотом на угол 90 и «включение–отключение-включение» для аппаратов на два направления поворотом на угол 45° в каждое положение. Все положения имеют фиксацию.
Внимание: характеристики товара, комплект поставки и внешний вид могут быть изменены производителем без предварительного уведомления. Указанная информация не является публичной офертой.
Показать все
Скрыть
Документы
Гарантия
Гарантийный срок эксплуатации прибора составляет 24 месяца с момента его ввода в эксплуатацию, при условии соблюдения потребителем правил эксплуатации, транспортировки, хранения и монтажа, установленных в руководстве по эксплуатации и в соответствии с требованиями ГОСТ 2405–88.
Срок хранения прибора с сохранением гарантийных обязательств — 12 месяцев с даты изготовления.
Отзывы
У данного товара пока нет отзывов. Станьте первым, кто поделится своим мнением и поможет другим сделать выбор.
20 отзывов
Артикул
Бренд
UzkipВ наличии
ГОСТ
2405-88ТУ
4212-114-64115539-2014Срок доставки
2-3 дняПериодичность поверки
2 годаС этим товаром смотрят
                    СВН-2-01 Счетчики времени наработки
10 сум
                    Выключатель-разъединитель ВР32И-37В71250 400А IEK
10 сум
                    Комплектующие к ВР32 Рукоятка к ВР 32- 31/35 31250/71250
10 сум
                    ВЫКЛ-РАЗЪЕД INTERPACT INV 630 3П Schneider Electric
10 сум
                    Диэлектрический коврик 750х750
129 000 сум
                    Выключатель-разъединитель ВНК-37-31130N-54 УХЛ3
10 сум
                    Выключатель-разъединитель INS1600 3П Schneider Electric
10 сум
                    ВЫКЛ-РАЗЪЕД INTERPACT INV250 3П Schneider Electric
10 сум
                    Выключатель-разъединитель ВР32И-35А30220 250А IEK
10 сум
                    Выключатель-разъединитель ВНК-39-71130-32 УХЛ3
10 сум
                    Syscompact-4000 — мобильный комплекс для поиска мест повреждений кабелей
10 сум
                    Комплектующие к ВР32 Рукоятка к ВР 32-39 71250
10 сум
Ранее вы смотрели
                МКИ-100 — цифровой микроомметр
                6ES7323-1BL00-OAAO Simatic Siemens
                Изолятор опорный ИО-10-3,75 I У3 со шпильками
                Изолятор опорный ИО-6-3,75 I У3
                Выключатель-разъединитель ВР32-31-А-70220-00 УХЛ3 лев.
                Выключатель-разъединитель ВР32-31-В-71250-32 УХЛ3 лев.
                Выключатель кнопочный ВКИ-216 3р 10А 230/400В IP40 ИЭК
                KEW 3552 — цифровой мегаомметр (измеритель сопротивления изоляции)
                Выключатель-разъединитель ВР32-37-А-30220-00 УХЛ3 лев.
                АСЕ-1768 — 8 канальный USB/LAN модуль дискретного ввода-вывода
Похожие категории