Рубильник РПБ 6/П (без ПН), 630А рукоятка справа
                            
                            
                                
                                
                                
                                Описание товара
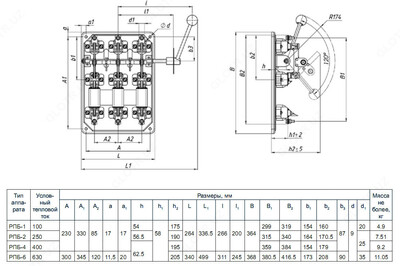
РПБ: Р - рубильник, П - предохранители, Б - боковая рукоятка.
Рубильник предназначен для пропускания токов нагрузки, включения и отключения электрических цепей номинальным напряжением до 500 В переменного тока номинальной частоты 50, 60 Гц, а также для создания видимого разрыва цепи. Применяется в устройствах распределения электрической энергии. Включение-отключение рубильника производится вручную. Рубильник не имеет системы дугогашения, поэтому категорически недопускается его отключение под нагрузкой.
Вид климатического исполнения УХЛ, категория размещения 3 по ГОСТ 15150. Категория применения для переменного тока АС-20 В.
РПБ - рубильники с предохранителями на общей (стальной) плите открытого исполнения, трехполюсные, с ручным боковым приводом для переднего присоединения проводников, предназначены для нечастых (не более 6 в час) неавтоматических коммутаций электрических цепей переменного тока. В рубильниках используются предохранители серии ПН 2.
Внимание: характеристики товара, комплект поставки и внешний вид могут быть изменены производителем без предварительного уведомления. Указанная информация не является публичной офертой.
Показать все
Скрыть
Документы
Гарантия
Гарантийный срок эксплуатации прибора составляет 24 месяца с момента его ввода в эксплуатацию, при условии соблюдения потребителем правил эксплуатации, транспортировки, хранения и монтажа, установленных в руководстве по эксплуатации и в соответствии с требованиями ГОСТ 2405–88.
Срок хранения прибора с сохранением гарантийных обязательств — 12 месяцев с даты изготовления.
Отзывы
У данного товара пока нет отзывов. Станьте первым, кто поделится своим мнением и поможет другим сделать выбор.
20 отзывов
Артикул
Бренд
UzkipВ наличии
ГОСТ
2405-88ТУ
4212-114-64115539-2014Срок доставки
2-3 дняПериодичность поверки
2 годаС этим товаром смотрят
                    Рубильник 2500А
10 сум
                    Рубильник РПС 6/1П 630А без ППН правая рукоятка
10 сум
                    Рубильник OT63FT4N2 до 63А 4п дверного монтажа
10 сум
                    Рубильник РПС - 6/Л 630А без ПН рукоятка слева
10 сум
                    Рубильник реверсивный OT63F3C до 63А 3-полюсный для установки на DIN-рейку или монтажную плату (без ручки)
10 сум
                    Ящик силовой с рубильником ЯБПВУ-1МУ3 100 А IP54 с ПН2 алюминиевые контакт основания
10 сум
                    Рубильник РПС 1/1П 100А с ПН2 правая рукоятка
10 сум
                    Рубильник РПС - 4/1 Л 400А без ПН исп.4
10 сум
                    Ящик с рубильником ЯРВ 630А IP54 без ПН2 (ЯРВ-630-54)
10 сум
                    Рубильник РПБ 6/П без ПНН-39, 630А правая рукоятка
10 сум
                    Ящик силовой с рубильником ЯБПВУ-1МУ3 100 А IP54 без ПН2 алюминиевые контакт основания
10 сум
                    Рубильник РЦ-32 с приводом ПРЦ 0,4
10 сум
Ранее вы смотрели
                Лазерный станок для резки металла SF3015G
                Изолятор SM40 (М8) силовой ИЭК
                КАТУШКА КОНТАКТОРА LC1V 610A 220/240В Schneider Electric
                Контакт КТ6043 подвижный
                Рубильник РПБ 6/П (без ПН), 630А рукоятка справа
                УДПК — устройство дистанционного прокола кабеля
                АТЕ-7156 — толщиномер
                Д5106 — ваттметр
                Сетевая солнечная электростанция (6 кВт)
                Контакторы Siemens 3RT1016-1HB41
Похожие категории