Рубильник РПБ 1/Л (без ПН), 100А рукоятка слева
                            
                            
                            
                                
                                
                                
                                
                                
                                Описание товара
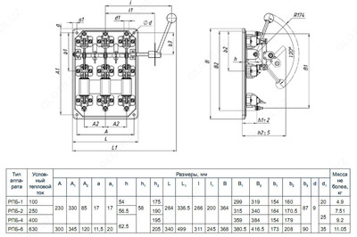
РПБ: Р - рубильник, П - предохранители, Б - боковая рукоятка.
Рубильник предназначен для пропускания токов нагрузки, включения и отключения электрических цепей номинальным напряжением до 500 В переменного тока номинальной частоты 50, 60 Гц, а также для создания видимого разрыва цепи. Применяется в устройствах распределения электрической энергии. Включение-отключение рубильника производится вручную. Рубильник не имеет системы дугогашения, поэтому категорически недопускается его отключение под нагрузкой.
Вид климатического исполнения УХЛ, категория размещения 3 по ГОСТ 15150. Категория применения для переменного тока АС-20 В.
РПБ - рубильники с предохранителями на общей (стальной) плите открытого исполнения, трехполюсные, с ручным боковым приводом для переднего присоединения проводников, предназначены для нечастых (не более 6 в час) неавтоматических коммутаций электрических цепей переменного тока. В рубильниках используются предохранители серии ПН 2.
Внимание: характеристики товара, комплект поставки и внешний вид могут быть изменены производителем без предварительного уведомления. Указанная информация не является публичной офертой.
Показать все
Скрыть
Документы
Гарантия
Гарантийный срок эксплуатации прибора составляет 24 месяца с момента его ввода в эксплуатацию, при условии соблюдения потребителем правил эксплуатации, транспортировки, хранения и монтажа, установленных в руководстве по эксплуатации и в соответствии с требованиями ГОСТ 2405–88.
Срок хранения прибора с сохранением гарантийных обязательств — 12 месяцев с даты изготовления.
Отзывы
У данного товара пока нет отзывов. Станьте первым, кто поделится своим мнением и поможет другим сделать выбор.
20 отзывов
Артикул
Бренд
UzkipВ наличии
ГОСТ
2405-88ТУ
4212-114-64115539-2014Срок доставки
2-3 дняПериодичность поверки
2 годаС этим товаром смотрят
                    Ящик с рубильником ЯРВ 100А IP32 без ПН2 (ЯРВ-100-32)
10 сум
                    Реверсивный рубильник OT250E03CP до 250А 3-полюсный
0 сум
                    Ящик силовой с рубильником ЯБПВУ-1МУ3 100 А IP54 с ПН2 алюминиевые контакт основания
10 сум
                    Рубильник РПБ 36Л без ППН-39, 630А левая рукоятка
10 сум
                    Ящик силовой с рубильником ЯБПВУ 250А Cu IP54 без ПН-2 БелСвет
10 сум
                    Рубильник РПС 2/1Л 250А без ПН2 левая рукоятка
10 сум
                    Ящик с рубильником ЯРВ 400А IP32 с ПН2 (ЯРВ-400-32)
10 сум
                    Рубильник РПБ 2/Л без ПН2, 250А левая рукоятка
10 сум
                    Рубильник со смещен.приводом РПС 2/1Л 250А (без ПН) рукоятка слева керамические изоляторы
10 сум
                    Ящик с рубильником ЯВЗ 250А IP54 без ПН2 (ЯВЗ-32-54) Льгов
10 сум
                    Ящик с рубильником ЯРВ 630А IP54 с ПН2 (ЯРВ-630-54)
10 сум
                    Рубильник РПС 4/1Л 400А без ПН левая рукоятка
10 сум
Ранее вы смотрели
Похожие категории