Рубильник РПБ 4/Л (без ПН), 400А рукоятка слева
                            
                            
                            
                            
                                
                                
                                
                                
                                
                                
                                
                                Описание товара
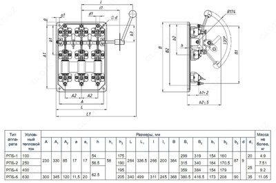
РПБ: Р - рубильник, П - предохранители, Б - боковая рукоятка.
Рубильник предназначен для пропускания токов нагрузки, включения и отключения электрических цепей номинальным напряжением до 500 В переменного тока номинальной частоты 50, 60 Гц, а также для создания видимого разрыва цепи. Применяется в устройствах распределения электрической энергии. Включение-отключение рубильника производится вручную. Рубильник не имеет системы дугогашения, поэтому категорически недопускается его отключение под нагрузкой.
Вид климатического исполнения УХЛ, категория размещения 3 по ГОСТ 15150. Категория применения для переменного тока АС-20 В.
РПБ - рубильники с предохранителями на общей (стальной) плите открытого исполнения, трехполюсные, с ручным боковым приводом для переднего присоединения проводников, предназначены для нечастых (не более 6 в час) неавтоматических коммутаций электрических цепей переменного тока. В рубильниках используются предохранители серии ПН 2.
Внимание: характеристики товара, комплект поставки и внешний вид могут быть изменены производителем без предварительного уведомления. Указанная информация не является публичной офертой.
Показать все
Скрыть
Документы
Гарантия
Гарантийный срок эксплуатации прибора составляет 24 месяца с момента его ввода в эксплуатацию, при условии соблюдения потребителем правил эксплуатации, транспортировки, хранения и монтажа, установленных в руководстве по эксплуатации и в соответствии с требованиями ГОСТ 2405–88.
Срок хранения прибора с сохранением гарантийных обязательств — 12 месяцев с даты изготовления.
Отзывы
У данного товара пока нет отзывов. Станьте первым, кто поделится своим мнением и поможет другим сделать выбор.
20 отзывов
Артикул
Бренд
UzkipВ наличии
ГОСТ
2405-88ТУ
4212-114-64115539-2014Срок доставки
2-3 дняПериодичность поверки
2 годаС этим товаром смотрят
                    Рубильник РПБ 1/П c ПН2, 100А правая рукоятка
10 сум
                    Рубильник РПС-1/Л 100А без ПН левая рукоятка
10 сум
                    Рубильник OT80F4N2 до 80А 4х-полюсный для установки на DIN-рейку или монтажную плату (с резерв. ручкой)
10 сум
                    Рубильник OT25F4N2 до 25А 4х-полюсный для установки на DIN-рейку или монтажную плату (с резерв. ручкой)
10 сум
                    Реверсивный рубильник OT16F3С до 16А 3х-полюсный для установки на DIN-рейку или монтажную плату (с резерв. ручкой)
10 сум
                    Рубильник РПБ 6/П без ПНН-39, 630А правая рукоятка
10 сум
                    Рубильник реверсивный OT63F3C до 63А 3-полюсный для установки на DIN-рейку или монтажную плату (без ручки)
10 сум
                    Ящик с рубильником-переключателем ЯРПП 630А IP32 без ПН-2 (ЯРП11М-791) Льгов
10 сум
                    Рубильник РПБ 2/Л без ПН2, 250А левая рукоятка
10 сум
                    Ящик с рубильником ЯРП 100А IP54 без ПН-2 (ЯРП11М311У)
10 сум
                    Ящик с рубильником ЯРП11М311У-32 УХЛ3 с ПН-2 (ЯРП 100А IP32)
10 сум
                    Рубильник OT63FT4N2 до 63А 4п дверного монтажа
10 сум
Ранее вы смотрели
Похожие категории