Рубильник РП-5 1000А
                            
                            
                            
                            
                            
                            
                                
                                
                                
                                
                                
                                
                                
                                
                                
                                
                                
                                Описание товара
Назначение.
Рубильники РП5 предназначены для защиты и не автоматической коммутации силовых электрических цепей переменного тока в устройствах распределения электрической энергии.
Климатическое исполнение У категории 3 по ГОСТ 15150. Изделия также пригодны для эксплуатации в условиях, нормированных для исполнения УХЛ категория 4.
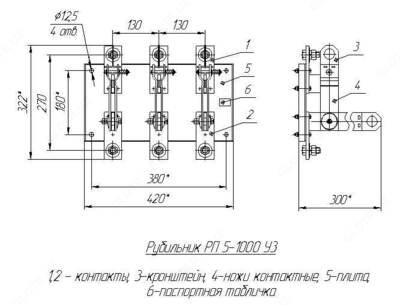
Конструкция.
Основными частями аппаратов являются ножи, совмещенные и контактные стойки с выводами для подключения, смонтированные на общей плите (100...400А - металлическая плита, 630А - текстолитовая).
Рубильники имеют по одному ряду совмещённых и контактных стоек. Необходимое контактное нажатие обеспечивается пружинами, на совмещённых - сферическими шайбами.
У аппаратов контактные ножи связаны осью, приводящейся в движение посредством симметрично расположенных по длине тяг, второй конец которых шарнирно соединён с валом.
На рубильниках вал приводится во вращение боковой съёмной рукояткой (или приводом), устанавливаемой на одном его конце.
Рубильники с центральным расположением привода приводятся в движение скобой связанной с осью контактных ножей.
Внимание: характеристики товара, комплект поставки и внешний вид могут быть изменены производителем без предварительного уведомления. Указанная информация не является публичной офертой.
Показать все
Скрыть
Документы
Гарантия
Гарантийный срок эксплуатации прибора составляет 24 месяца с момента его ввода в эксплуатацию, при условии соблюдения потребителем правил эксплуатации, транспортировки, хранения и монтажа, установленных в руководстве по эксплуатации и в соответствии с требованиями ГОСТ 2405–88.
Срок хранения прибора с сохранением гарантийных обязательств — 12 месяцев с даты изготовления.
Отзывы
У данного товара пока нет отзывов. Станьте первым, кто поделится своим мнением и поможет другим сделать выбор.
20 отзывов
Артикул
Бренд
UzkipВ наличии
ГОСТ
2405-88ТУ
4212-114-64115539-2014Срок доставки
2-3 дняПериодичность поверки
2 годаС этим товаром смотрят
                    Рубильник РПБ 6/Л без ПНН-39, 630А левая рукоятка
10 сум
                    Рубильник РПБ-6/1 П 630А без ПН с боковой рукояткой
10 сум
                    Ящик силовой с рубильником ЯРВ-6124 (РПБ) 400А без ПН2
10 сум
                    Ящик силовой с рубильником ЯБПВУ 1М 100А IP54 с ПН2 медные контакт основания
10 сум
                    Ящик силовой с рубильником ЯБПВ-4 400А У3 IP21 с ПН-2
10 сум
                    Рубильник 1000A
10 сум
                    Реверсивный рубильник OT16F3С до 16А 3х-полюсный для установки на DIN-рейку или монтажную плату (с резерв. ручкой)
10 сум
                    OHBS3/1 Ручка управления (черная) для управления рубильниками типа OT16..125F
10 сум
                    OHBS3/1 Ручка управления (черная) для управления рубильниками типа OT16..125F
10 сум
                    Рубильник РПС - 6/Л 630А без ПН рукоятка слева
10 сум
                    Рубильник РПС-6/1 Л 630А без ПН
10 сум
                    Ящик силовой с рубильником ЯБПВУ 100А Cu IP54 с ПН-2 БелСвет
10 сум
Ранее вы смотрели
                SDR-120-24 Блок питания MEAN WELL
                Изолятор ПСД 70
                Плавкая вставка ПН 2 630/100 А медь
                Рубильник РП-5 1000А
                Рубильник РПС - 2/П 250А без ПН правая рукоятка
                PA195I-2K1 — амперметр
                OTM®-5000 — мобильная установка для очистки турбинного масла
                Зонд-1К — электрод сравнения измерительный
                Контакторы Siemens 3RT1024-3AK60
                Контакторы Siemens 3RT1034-3AG20
Похожие категории