Рубильник РПБ 2/Л (без ПН), 250А рукоятка слева
                            
                            
                            
                                
                                
                                
                                
                                
                                Описание товара
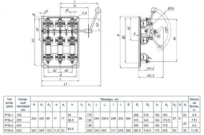
РПБ: Р - рубильник, П - предохранители, Б - боковая рукоятка.
Рубильник предназначен для пропускания токов нагрузки, включения и отключения электрических цепей номинальным напряжением до 500 В переменного тока номинальной частоты 50, 60 Гц, а также для создания видимого разрыва цепи. Применяется в устройствах распределения электрической энергии. Включение-отключение рубильника производится вручную. Рубильник не имеет системы дугогашения, поэтому категорически недопускается его отключение под нагрузкой.
Вид климатического исполнения УХЛ, категория размещения 3 по ГОСТ 15150. Категория применения для переменного тока АС-20 В.
РПБ - рубильники с предохранителями на общей (стальной) плите открытого исполнения, трехполюсные, с ручным боковым приводом для переднего присоединения проводников, предназначены для нечастых (не более 6 в час) неавтоматических коммутаций электрических цепей переменного тока. В рубильниках используются предохранители серии ПН 2.
Внимание: характеристики товара, комплект поставки и внешний вид могут быть изменены производителем без предварительного уведомления. Указанная информация не является публичной офертой.
Показать все
Скрыть
Документы
Гарантия
Гарантийный срок эксплуатации прибора составляет 24 месяца с момента его ввода в эксплуатацию, при условии соблюдения потребителем правил эксплуатации, транспортировки, хранения и монтажа, установленных в руководстве по эксплуатации и в соответствии с требованиями ГОСТ 2405–88.
Срок хранения прибора с сохранением гарантийных обязательств — 12 месяцев с даты изготовления.
Отзывы
У данного товара пока нет отзывов. Станьте первым, кто поделится своим мнением и поможет другим сделать выбор.
20 отзывов
Артикул
Бренд
UzkipВ наличии
ГОСТ
2405-88ТУ
4212-114-64115539-2014Срок доставки
2-3 дняПериодичность поверки
2 годаС этим товаром смотрят
                    Реверсивный рубильник OT200E03C до 200A 3-полюсный (без ручки управления)
10 soʻm
                    Рубильник со смещен.приводом РПС 4/1П 400А (без ПН) рукоятка справа керамические изоляторы
10 soʻm
                    Ящик с рубильником ЯВЗ 250А IP54 с ПН2 (ЯВЗ-32-54) Льгов
10 soʻm
                    Рубильник РПБ-1/1 П 100А без ПН с боковой рукояткой, вал 170мм
10 soʻm
                    Рубильник откидной XLP3-6BC под предохранители до 630А с кабельными клеммами
10 soʻm
                    Ящик силовой с рубильником ЯБПВУ 250А Cu IP54 с ПН-2 БелСвет
10 soʻm
                    Рубильник OT250E12 до 250А 3-полюсный (без ручки управления)
10 soʻm
                    Ящик силовой с рубильником ЯРВ-6123 (РПБ) 250А с ПН-2
10 soʻm
                    Ящик с рубильником ЯВЗ 250А IP54 без ПН2 (ЯВЗ-32-54) Льгов
10 soʻm
                    Ящик силовой с рубильником ЯБПВ-2 250А У3 IP21 без ПН2
10 soʻm
                    Рубильник РПБ 6/Л (без ПН), 630А рукоятка слева
10 soʻm
                    Рубильник РПБ-1/1 Л 100А без ПН с боковой рукояткой, вал 170мм
10 soʻm
Ранее вы смотрели
                WDR-120-12 Блок питания MEAN WELL
                Fluke 707 — калибратор токовой петли
                Плавкая вставка ПН 2 250/ 63 А медь
                Рубильник РПБ 2/Л (без ПН), 250А рукоятка слева
                Анaлизaтop кaчeства электpоэнeргии PМ172EH (SАTЕC)
                Контакт основания к ПН2 400А (медь)
                РЕТ-МИКРО
                ТЦ-1200 — измерительный блок термометра цифрового
                Trotec BE40 — токоизмерительные клещи
                УВНсТФ 6-10 — указатель высокого напряжения
Похожие категории